![]() | ||
| Артикул | HMW 7.8 PHT | |
| Тягове зусилля | 7800 кг | |
| Канатоємність | 43 м | |
| Вага, кг | 87 кг (191.7 Ibs) |
| Характеристики: | |
|---|---|
| Артикул | HMW 7.8 PHT |
| Тягове зусилля | 7800 кг |
| Канатоємність | 43 м |
| Вага, кг | 87 кг (191.7 Ibs) |
| Застосування для | Промисловості, Евакуатора, Спецтехніки |
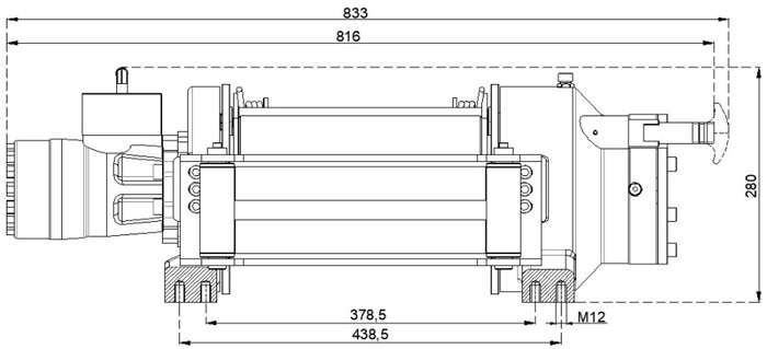
| Відстань між гвинтами кріплення | 438.5 мм, 378.5 мм х 200 мм, 140 мм |
| Витрата масла | 75 л/хв (19.8 g/min) |
| Тиск масла | 208 bar (3016 psi) |
| Двигун | 400 cc (24 in³) |
| Передавальне число | 5,2:1 |
| Габаритні розміри | М - 833 мм x 416 мм x 280 мм; П - 849 мм x 416 мм x 280 мм |
| Трос в комплекті | Немає |
| Рекомендоване масло | 85 W 90 - 0,9 л |
| Прес барабан | 4,5 кг (9,9 lbs) |
| Передній барабан | 11 кг (24,2 lbs) |
| Бренд | Hammer Winch |
Евакуаторна лебідка HMW 7.8 PHT розроблена для роботи під високими навантаженнями. Тягове зусилля моделі складає 7800 кілограм. Герметична конструкція попереджає попадання пилу та бруду у важливі робочі вузли. Пристрій зберігає працездатність навіть у вологому середовищі. Барабан дозволяє намотати до 43 метрів троса діаметром 14 міліметрів.
Гідравлічні лебідки Hammer Winch призначені для установки на транспорт спеціального призначення, вантажівки, використання в промисловості.
Важливо! Лебідка постачається без тросу.
| Кількість обмотки троса |
Потужність буксирування (kg/lbs) |
Швидкість троса (m/min - ft/min) |
Довжина троса (m/ft) |
| 1 | 7800/17196 | 13/42.6 | 8.4/27.5 |
| 2 | 6487/14299 | 15.5/50.8 | 18.3/60 |
| 3 | 5552/12238 | 18/59 | 29.8/97.7 |
| 4 | 4853/10696 | 20.7/68 | 43/141 |



Перейти до гідравлічних лебідок. Дивитися всі лебідки на евакуатори.
100% гарантійне обслуговування
Термін гарантії для кожного товару індивідуальний
Протягом 14 днів: нового, неактивованого товару належної якості
Замовлення відправлене, чекайте на дзвінок
Ви вже замовили дзвінок спеціаліста для цього товару
Вкажіть коректний номер телефону за шаблоном
